IM中国 GTYQ-IR500M
GTYQ-IR500M

产品特点

GTYQ-IR500M点型红外可燃IM官方网页版

- 红外吸收原理,气室腔体紧凑,响应快,重复精度高,分辨率好 - 双光路探测,抗干扰差分算法,避免水汽、粉尘干扰误报 - LCD高清显示,LED指示工作状态,一体化声光报警
- 光学检测,抗中毒,缺氧无氧环境正常使用,寿命长 - 智能控温,避免镜片凝水结冰,超疏水网防止雨水、粉尘渗入 - 防爆红外遥控和磁棒,现场调节 、标定
- 内置30多种气体数据库,可精准选择切换检测气体 - 模块化设计,智能自检,长期稳定,无需频繁标定,维护方便

技术参数

检测原理红外吸收
检测方式扩散式
检测范围

3%LEL~100%LEL(标准量程) 0~1%Vol···5%Vol(可选量程)

准确度

±2%F.S.

重复性<2%
分辨率1%LEL(标准), (0.1% /0.01%)VOL(可选)
响应时间T90≤10s(不带防雨罩)
显示方式高清LCD显示,LED指示
报警方式LED光报警(可选配防爆声光报警器)
调节方式红外遥控器、磁棒
电源
24V DC(15V~32V DC)
功耗
≤2W,≤7W(开启加热)
电气连接


三接口,NPT3/4"(F),NPT1/2"(F),M25x1.5


 (可按要求配置接口数量及规格尺寸)


输出信号


4~20mA(三线制)


 4~20mA+HART(选配)


 RS485 Modbus(四线制)


 三组继电器开关量输出(2A 30V DC)


 24V DC输出(驱动声光报警器)


 4G/5G/NB-IoT/LORA等无线通信传输(选配)


环境温度-40℃~70℃
相对湿度0~99%RH/无凝结
传感器寿命≥10年
防爆标志


Ex db llC T6 Gb


Ex tb lIIC T80°C Db


防护等级

IP67

壳体材质

铝合金/SS316

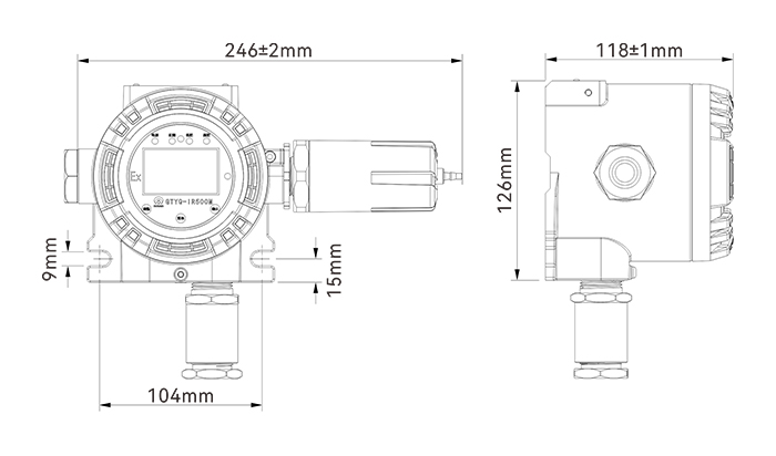
外形尺寸

(246x126x118)mm(WxHxD)

重量1,600g(铝合金)、3,252g(SS316)

产品结构及施工图

返回顶部